简述:
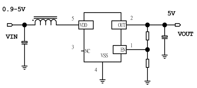
TX4204 系列产品是一种低功耗、 高效率、 低纹波、 工作频率高的 PFM同步升压 DC-DC 变换器。
芯片系列产品仅需要三个元器,就可完成将低输入的电池电压变换升压到所需的工作电压。
典型应用:

封装:

输入电压 :0.9V - 5.0V
输出电压 :2.5V - 5.0V
输出电流 :300mA
静态电流 :15uA
开关频率: 300KHz
驱动方式:内置MOS
整流方式:同步整流
封装:
SOT-23
SOT-23-5
SOT-89
电子词典、数码相机、无线耳机、无线鼠标键盘、医疗器械、VCR、PDA等手持电子设备